Gli impianti fotovoltaici (FV) continuano a diffondersi, gli squilibri fra domanda e offerta dal punto di vista della rete fotovoltaica risultano essere fra le principali limitazioni. L’energia solare è disponibile in abbondanza intorno a mezzogiorno, quando la domanda non è elevata, il che significa che i consumatori pagano un costo per watt più alto durante l’utilizzo di picco di mattina e sera. I sistemi di stoccaggio dell’energia (ESS) per impianti fotovoltaici residenziali, commerciali e infrastrutturali permettono agli inverter di stoccare l’energia raccolta durante il giorno o di togliere potenza dalla rete quando la domanda è al minimo, erogando quindi questa energia stoccata quando la domanda aumenta. Aggiungendo un ESS a un impianto fotovoltaico collegato alla rete, gli utenti possono ridurre i costi adottando una pratica nota come «peak shaving».
Esaminiamo alcune considerazioni di progetto in un impianto fotovoltaico collegato alla rete e con stoccaggio integrato.
Conversione bidirezionale della potenza
Gli impianti fotovoltaici convenzionali comprendono stadi di potenza unidirezionale CC-CA e CC-CC, ma un approccio unidirezionale costituisce una barriera notevole all’integrazione degli ESS, in quanto sono necessari più componenti, moduli e sottosistemi che contribuiscono ad aumentare sensibilmente il costo di integrazione di un ESS in un impianto fotovoltaico già esistente.
L’aggiunta dello stoccaggio a un impianto fotovoltaico già esistente comporta la combinazione di due percorsi per caricare e scaricare la batteria e un percorso singolo che comprenda stadi di correzione del fattore di potenza (PFC) e inverter. Ma in che modo è possibile costruire convertitori di potenza bidirezionali per sostituire due convertitori di potenza unidirezionali?
Le topologie di potenza bidirezionali avanzate mostrate in Figura 1 consentono un trasferimento di potenza sicuro ed efficiente tra la rete, l’array FV e il sistema di gestione della batteria. I microcontroller (MCU) sono molto diffusi per queste topologie di potenza. Ciascuno di questi controller è in grado di gestire uno o più stadi di potenza per rendere possibile un’architettura di conversione di potenza bidirezionale e a controllo digitale per un inverter fotovoltaico con supporto per gli ESS. Il controllo a MCU agevola la realizzazione di schemi di modulazione della larghezza di impulso (PWM) più sofisticati per gli interruttori di alimentazione che devono gestire le conversioni CC-CA e CC-CC.

Figura 1: schema a blocchi di uno stadio PFC bidirezionale e inverter
Un inverter ibrido aiuta gli stadi di conversione a raggiungere una maggiore efficienza; questo aspetto è ancora più importante in una microrete integrata con ESS per via del verificarsi di conversione di potenza multiple. I sistemi di conversione di potenza gestiscono le operazioni CC-CC per caricare e scaricare le batterie, nonché le operazioni CC-CA e CA-CC che convertono la potenza in CC immagazzinata nella batteria in CA per mandarla alla rete e riceverla da quest’ultima.
Batterie ad alta tensione negli impianti fotovoltaici
In un sistema a microrete con stoccaggio integrato, la funzione principale di una batteria consiste nello stoccare l’energia FV e nell’iniettare la potenza nella rete quando richiesta. I pacchi batterie agli ioni di litio offrono una capacità di stoccaggio della carica per singola unità molto superiore rispetto alle batterie piombo acido.
I pacchi batterie da 400 V stanno diventando sempre più diffusi nel segmento dei veicoli elettrici (EV) e si sta assistendo a una spinta verso un aumento delle tensioni delle batterie anche negli impianti fotovoltaici per rete elettrica con batterie oltre i 48 V. Ma in che modo è possibile gestire le conversioni di potenza per pacchi batterie da 400 V?
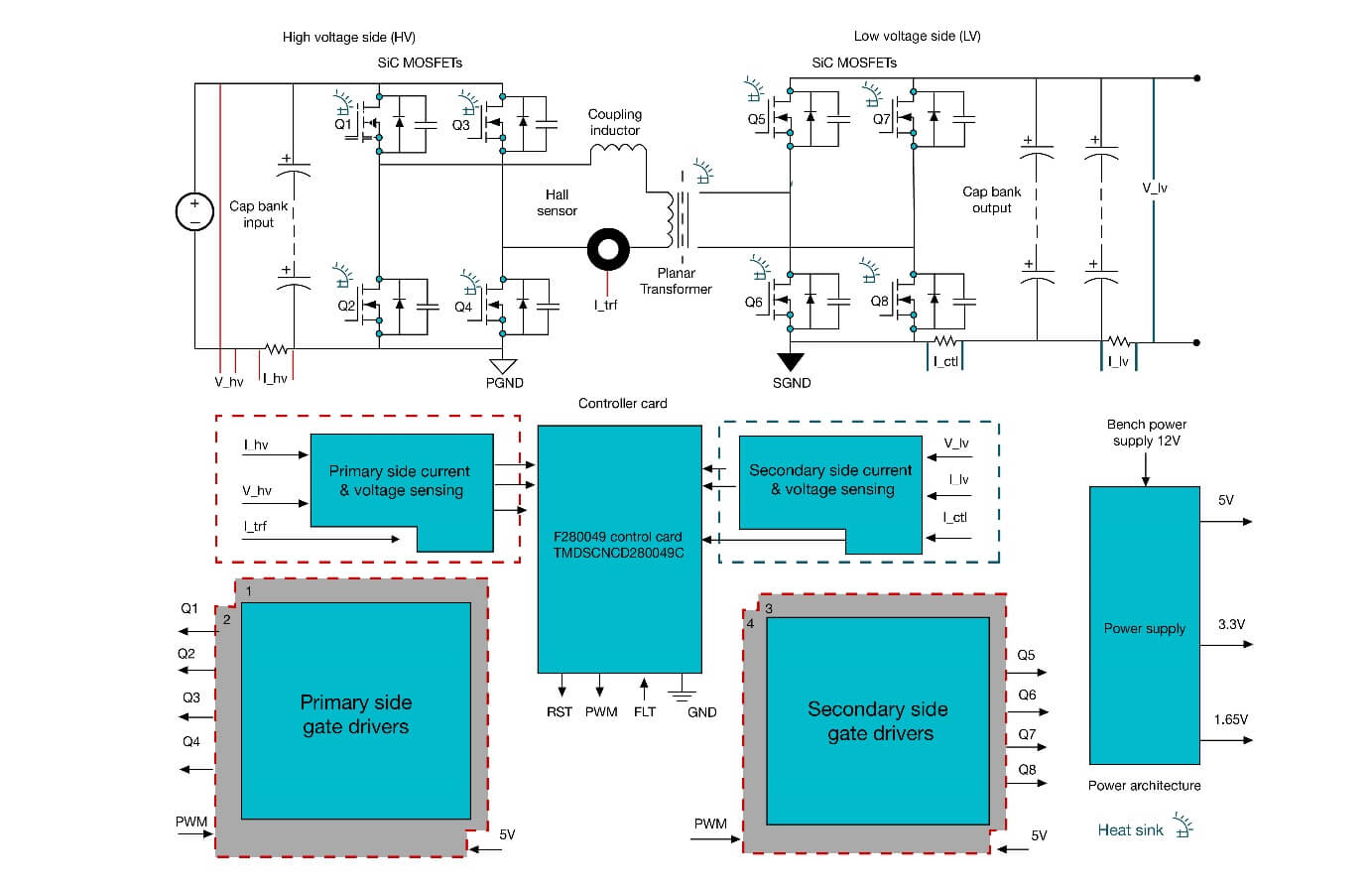
Insieme alle MCU che forniscono il controllo e la comunicazione di sistema per agevolare l’integrazione degli ESS in sistemi di maggiori dimensioni, gli interruttori di alimentazione a perdita ridotta e alta efficienza rendono i sistemi di stoccaggio dell’energia anche sicuri e affidabili. Gli interruttori di alimentazione compatti basati su materiali al carburo di silicio (SiC) e al nitruro di gallio (GaN), in combinazione con le MCU di controllo in tempo reale, contribuiscono a garantire l’adattamento di un convertitore bidirezionale in modo che possa funzionare con varie unità di stoccaggio dell’energia in CC (Fig. 2).

Figura 2
I semiconduttori WBG (wide-bandgap) come SiC e GaN giocheranno un ruolo importante nell’affrontare le questioni legate ai sistemi di conversione della potenza che possano gestire intervalli più ampi di tensione della batteria considerando la maggiore densità di potenza e le minori perdite di commutazione del convertitore. I sistemi di conversione della potenza, inoltre, aiutano i pacchi batterie a gestire meglio le fluttuazioni di tensione in sistemi di generazione distribuiti e conferiscono intelligenza e resilienza alle operazioni di rete a tensioni più alte e più ampie.
In definitiva, gli impianti fotovoltaici potrebbero ricordare i pacchi batterie utilizzati nei veicoli elettrici. Inoltre, è opinione diffusa che i pacchi batterie attualmente utilizzati nei veicoli elettrici troveranno una seconda vita venendo riciclati come ESS collegati alla rete elettrica.
Semiconduttori WBG, efficienza e raffreddamento a convezione naturale
Al fine di creare un sistema snello di stoccaggio a parete è necessario assicurarsi che il progetto dell’invertitore sia ottimizzato dal punto di vista termico con un raffreddamento minimo per convezione naturale. Un’architettura di potenza distribuita è in grado di diffondere la concentrazione del calore attraverso l’intero sistema. Le architetture di questo tipo, inoltre, prendono possibile realizzare l’inverter di stoccaggio dell’energia necessario per supportare livelli di corrente elevati a diverse tensioni e per fornire un’affidabile risposta ai transienti per carichi in rapido cambiamento.
Un sistema di questo tipo richiede l’utilizzo di driver del gate in grado di supportare una commutazione rapida e di fornire protezione a frequenze di commutazione tra 100 e 400 kHz. Se la commutazione non è abbastanza veloce, gli stadi di conversione della potenza possono risentire di enormi perdite di efficienza.
È qui che entrano in gioco i materiali WBG come SiC e GaN, i quali offrono una commutazione più rapida e una maggiore densità di potenza. Questi dispositivi a semiconduttore agevolano la realizzazione di sistemi che non richiedono un raffreddamento basato su ventole.
Rilevamento di corrente e tensione negli impianti fotovoltaici
La commutazione di un progetto di potenza a frequenze elevate comporta la problematica di rilevare con precisione le correnti e le tensioni. Le misurazioni della corrente basate su shunt non sono soltanto più precise, ma offrono anche tempi di risposta più brevi per reagire rapidamente a qualsiasi cambiamento sulla rete, tagliando fuori il sistema in caso di cortocircuito o perdita di collegamento alla rete.
Le misurazioni della corrente sono parte integrante dei progetti incentrati sugli inverter, in quanto il controllo necessita del rilevamento della corrente a scopo di controllo. Sono disponibili soluzioni di progetto per misurazioni di corrente isolate utilizzando shunt esterni e amplificatori isolati o modulatori e alimentatori.
Per gli eventuali segnali digitali che necessitano di trasferire dati attraverso vari domini di tensione in applicazioni basate su inverter utilizzando tensioni più elevate, è possibile utilizzare dispositivi di isolamento per superare le limitazioni poste dalla tensione.
I convertitori di potenza devono misurare la corrente di rete per garantire che la corrente sia in fase con la tensione. Le misurazioni di corrente e tensione, inoltre, gestiscono la corrente di carica della batteria, nonché il funzionamento dell’inverter e la protezione dei sovraccarichi.
Conclusioni
Gli inverter ibridi, che forniscono conversioni di potenza bidirezionali CA-CC e CC-CC, andranno probabilmente a sostituire i tradizionali inverter fotovoltaici nel giro di pochi anni. Gli inverter ibridi permettono oggi ai progettisti di inverter fotovoltaici di implementare conversioni di potenza con un’ampia gamma di potenze e tensioni di uscita.
È importante che gli inverter fotovoltaici con supporto per lo stoccaggio possano contare su tensioni di batteria più alte e ampie. Oltre alle necessità di efficienza elevata e convezione naturale, elementi costruttivi fondamentali come il controllo basato su MCU e i semiconduttori WBG con driver del gate e funzioni di protezione integrate possono rispondere a queste esigenze in termini di tensioni di batteria più alte e ampie.









